Regresar
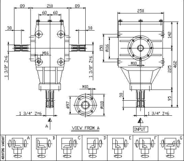
Reductor tipo RV-101