Regresar
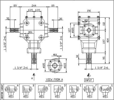
Reductor tipo RV-080